조정래
(Jeong-Rae Cho)
1iD
김동찬
(Dongchan Kim)
2†iD
이진혁
(Jinhyuk Lee)
3iD
이재흔
(JaeHeun Lee)
4iD
윤혜진
(Hyejin Yoon)
5iD
이진호
(JinHo Lee)
6iD
-
정회원 · 한국건설기술연구원 구조연구본부 선임연구위원
(KICT ․ chojr@kict.re.kr)
-
종신회원 · 교신저자 · 한국건설기술연구원 지반연구본부 박사후연구원
(Corresponding Author ․ KICT ․ dc_kim@kict.re.kr)
-
한국도로공사 도로교통연구원 디지털융합연구실 책임연구원
(KECRI ․ leejh@ex.co.kr)
-
정회원 · 한국건설기술연구원 구조연구본부 박사후연구원
(KICT ․ ijheun@kict.re.kr)
-
종신회원 · 한국건설기술연구원 구조연구본부 연구위원
(KICT ․ hiyoon@kict.re.kr)
-
정회원 · 국립부경대학교 해양공학과 교수
(Pukyong National University ․ jholee0218@pknu.ac.kr)
Copyright © 2025 by the Korean Society of Civil Engineers
키워드
액체저장탱크, 내진설계기준, 동수압, 충격성분, 대류성분
Key words
Liquid storage tank, Seismic design standard, Dynamic water pressure, Impulsive component, Convective component
1. 서 론
최근 산업시설의 내진설계는 단순히 구조적 안전성 확보를 넘어, 지진 시 운영 지속성(operational continuity)을 보장하는 방향으로
진화하고 있다. 특히 석유, 가스, 화학물질 등을 저장하는 액체저장탱크는 지진 시의 누출(leakage)과 파열이 2차적 화재나 환경오염으로 이어질
수 있기 때문에, 다른 구조물보다 엄격한 내진성능이 요구된다. 2011년 동일본대지진과 2016년 구마모토 지진에서 보고된 Elephant Foot
Buckling(EFB), roof uplift, sloshing overflow 등의 피해 사례는 기존 설계식이 실제 거동을 충분히 반영하지 못함을
보여주었다(AIJ, 2010; Takeda et al., 2022; Vakilazadsarabi, 2014; Zama et al., 2012). 이러한 경험은 각국의 설계기준을 지속적으로 개정·고도화하는 계기가 되었으며, 특히 탱크의 연성거동 및 유체-구조 연성효과를 고려한 해석 절차의
중요성이 부각되고 있다.
액체저장탱크의 유체 동적 거동은 충격성분(impulsive)과 대류성분(convective)으로 구분되며, ACI 350.3-20(2021), NICEE Guidelines(2007), Eurocode 8-4(2006), NZSEE(2009) 등 주요 해외 설계기준에서는 이를 근사화된 등가 스프링-질량 모델(equivalent spring–mass model) 로 이상화하여 설계식을 제시하고
있다. 충격성분의 경우, 강체 탱크(rigid tank)에 대해서는 Housner(1957)가 근사 해석해를, Veletsos(1984)가 보다 엄밀한 해석해를 제시하였다. 연성 탱크(flexible tank)의 경우에는 강체 탱크 해석해에서 지반가속도를 탱크-유체 연성계의 고유주기에
대응하는 스펙트럼 가속도로 치환한 Veletsos-Yang 방법(Veletsos, 1984)과 원통형 탱크를 대상으로 유한요소해석 결과를 근거로 탱크 형상비에 따른 무차원 계수(dimensionsless parameters)를 제시한 Haroun and Housner(1981) 연구가 대표적으로 사용된다. Lee and Cho(2024)는 사각형 연성 탱크를 대상으로 탱크 형상비에 따른 설계식을 Ritz 법을 통해 유도하였으며, Haron and Housner(1981) 연구처럼
탱크 형상비에 따른 무차원 계수를 제공한다.
ACI 350.3-20(2021)과 NICEE Guidelines(2007)은 Housner(1957)의 강체 탱크 근사식을 기반으로 하여 Veletsos-Yang 방법을 적용하면 원통형과 사각형 액체저장탱크 모두에 대해 동등한 수준의 스프링-질량
설계식을 제시한다. 반면 Eurocode 8-4(2006) 은 강체 원통형 탱크의 경우 Veletsos(1984)의 해석식을, 연성 원통형 탱크의 경우 Haroun and Housner(1981) 및 Veletsos(1984)의 강체탱크 식을 이용한 Veletsos-Yang 방법을 함께 제시하고 있다. NZSEE(2009)는 강체 원통형 탱크에 대해서는 Veletsos(1984)의 해를, 연성 원통형 탱크에 대해서는 Haroun and Housner(1981)의 방법을 적용하고 있다. Eurocode 8-4(2006)과 NZSEE(2009)는 모두 원통형 탱크를 중심으로 기술되어 있으며, 사각형 탱크에 대해서는 원통형 탱크의 식을 준용하도록 하고 있어 이러한 점이 한계로 지적된다.
한편, 대류성분은 저주파 영역에서 탱크 벽체의 변형모드와 주파수 대역이 분리되므로, 강체 탱크를 가정한 유체의 자유진동 해석 결과를 적용할 수 있다.
ACI 350.3-20(2021)과 NICEE Guidelines(2007)은 Housner(1957)가 제시한 근사 해석해를 원통형 및 사각형 탱크에 대해 모두 제시하고 있으며, Eurocode 8-4(2006)과 NZSEE(2009)는 Veletsos(1984)의 엄밀 해석해를 원통형 탱크에 대해 제시한다. 마지막으로, 원통형 연성 탱크에서 고려해야 하는 수직 가진에 대한 충격성분으로 해석되는 breathing
mode는 NZSEE(2009)에서 Haroun and Housner(1981) 및 Veletsos(1984)의 결과를 근거로, 형상비(H/R, t/R)에 따른 해석 결과에 기반하여 고유주기를 제시하고 있다.
국내에서도 Bae et al.(2016), Oh et al.(2016), Kim et al.(2023) 등의 연구를 통해 설계기준에 대한 비교·분석이 수행된 바 있다. 국내 기준으로는 KGS GC203(2024) 에서 관련 규정을 제시하고 있으며, 「가스시설 및 가스배관의 내진설계·성능확인 세부기술기준」(한국가스안전공사 2400-3)에서 보다 구체적인 설계지침을
제시하고 있다. 그러나 이러한 기준들은 앞서 언급한 ACI 350.3-20(2021), NICEE Guidelines(2007), Eurocode 8-4(2006), NZSEE(2009) 등 주요 해외 설계기준과 비교할 때, 등가 스프링–질량(equivalent spring-mass) 모델로 이상화된 설계식을 포함하고 있지 않다.
한편, 현재 심의를 통과하여 공포를 앞두고 있는 「KDS 33 17 10 산업환경시설 내진설계기준」(2025)에서도 액체저장탱크의 성능수준을 운영지속성(operational continuity) 확보를 기준으로 규정하고 있으나, 등가 스프링-질량 모델을 이용한
설계식은 제시되어 있지 않다.
본 연구에서는 주요 국내외 액체저장탱크 내진설계기준을 비교·분석하고, 극한지진하에서도 탱크의 운영지속성(operational continuity)
을 확보할 수 있는 개선 방향을 제시하였다. 제안된 기준은 극한지진에 의한 누출을 방지하기 위해 좌굴 안정성을 명시적으로 고려하고, 지반-구조 상호작용(SSI),
앵커 정착조건, 감쇠비 및 응답수정계수의 적용 범위를 일관된 체계로 정립하였다. 또한 등가 스프링-질량(equivalent spring-mass)
모델을 원통형 및 사각형 액체저장탱크에 적용할 수 있도록 ACI 350.3-20(2021)의 체계를 기반으로 하였으며, 주요 해외 기준을 참조하여 일부 항목을 보완하였다. 아울러 유한요소해석과 주요 해외 기준과의 비교를 통해 충격성분(impulsive)
및 대류성분(convective)의 고유주기 산정식의 타당성을 검증하였다.
2. 액체저장탱크의 해석이론
2.1 유체-구조 연성 거동의 기본개념
지진 시 탱크 기초에 전달된 가속도는 벽체를 통해 저장된 액체로 전달되며, 이에 따라 탱크 벽체에는 수평 방향의 동수압(dynamic hydropressure)이
발생한다. 저장된 액체는 이러한 가진에 대해 탱크 구조물의 운동에 동조되어 함께 움직이는 부분과, 자유표면에서 독립적으로 진동하는 부분으로 구분되며,
이를 각각 충격성분(impulsive component)과 대류성분(convective component)이라 한다.
충격성분은 벽체의 변위에 따라 유체에 유도되는 동압력에 의해 발생하며, 이 압력은 벽체에 분포하는 부가질량(added mass)의 형태로 작용한다.
벽체의 강성이 충분히 큰 경우에는 탱크와 일체로 움직이는 질량으로 간주되고, 벽체가 유연한 경우에는 액체의 부가 질량 효과로 인해 탱크의 고유진동수보다
큰 고유진동수 응답 특성을 나타낸다. 반면, 대류성분은 탱크의 운동과 비동조되어 액체의 자유표면에서 발생하는 진동에 해당하며, 액체의 슬로싱(sloshing)
거동을 나타낸다. 이 성분은 액체의 관성력과 중력 복원력이 지배하는 운동으로, 충격성분에 비해 매우 낮은 고유진동수 영역의 응답 특성을 보인다. 또한
벽체의 강성과는 거의 무관하게 거동하므로, 강체 탱크(rigid tank) 가정하에서 유체의 자유진동 해석을 통해 대류모드를 유도할 수 있다. 탱크의
전체 응답은 충격성분과 대류성분이 서로 다른 주파수 영역에서 지배적인 영향을 미치는 복합적 거동으로 구성된다. 한편, 원통형 액체저장탱크에서는 지진의
수직 가진(vertical excitation)에 의해 유체-구조 연성계의 진동이 발생하며, 이때의 주요 거동 모드는 팽창-수축(breathing)
모드로 정의된다. 팽창-수축(breathing) 모드는 탱크가 원주 방향으로 축대칭 팽창 및 수축하는 형태의 진동으로, 충격성분(impulsive
component)과 유사한 거동 특성을 보인다.
Fig. 1. Mode Shape of Broad Cylinderical Tank. (a) Tank(34.02 Hz), (b) Convective
(0.1452 Hz), (c) Impulsive (6.160 Hz), (d) Breathing (5.200 Hz)
Fig. 1은 모드 형상의 이해를 돕기 위해 4장의 결과를 미리 제시한 것이다. 해석에 사용된 탱크의 세부 제원과 추가적인 수치해석 결과는 제4장에서 상세히
기술하였다. Fig. 1(a)는 유체가 없는 빈 탱크의 고유모드로, 34.0 Hz의 진동수를 보인다. Fig. 1(b)-(d)는 유체를 포함한 유체-구조물 연성계(fluid-structure coupled system)에 대한 해석 결과로서, 각각 대류(convective),
충격(impulsive), 팽창-수축(breathing) 모드를 나타낸다. 대류모드는 벽체의 변형 없이 자유수면에서만 진동이 발생하며, 0.145
Hz로 매우 낮은 주파수를 갖는다. 충격모드는 주로 수평가진에 반응하고, 브리딩모드는 수직가진에 지배적인 응답을 보인다. Fig. 1(a)와 1(c)를 비교하면 유체의 부가질량(added mass) 효과로 인해 고유진동수가 감소하는 것을 확인할 수 있으며, Fig. 1(b)의 대류모드는 유체-구조물 연성계를 대상으로 계산하였지만 유체만 모델링하더라도 동일한 고유치를 얻을 수 있는데 그 이유는 지배적인 주파수 대역이 구조물을
고려한 충격성분과 분리되기 때문이다.
2.2 유체-구조 연성 거동의 지배방정식
유체-구조 연성 거동을 이해하기 위해서는 저장액체의 진동에 대한 수학적 모델이 필요하다. 여기에서는 지배방정식과 경계조건을 제시한다. 비회전성(irrotational)
유동을 가정할 경우 속도페텐셜을 정의할 수 있으며, 압축성 고려 유무에 따라 동압력에 대한 지배방정식으로 나타내면 다음과 같다.
위에서 p는 위치 x, 시각 t에서의 액체의 동수압(dynamic pressure)이다. $c$는 유체내 압축파의 속도로 $\sqrt{K/\rho}$이다(물의
경우 체적탄성계수 $K$는 2.1904 GPa, 밀도 $\rho$=1000 kg/m3이고, 따라서 속도 $c$=1,480 m/s). 탱크 구조물과 접하는 면에서는 경계조건은 다음과 같은 식을 적용한다.
위에서 $n$은 경계면의 외향 단위벡터이고, $u_{n}$는 벽체의 법선방향 변위이다. 즉, 벽체의 가속도가 유체의 법선방향 압력변동을 유발한다.
마지막 경계조건으로 액체면에서는 다음과 같이 동수압을 0으로 두거나 슬로싱조건을 부과할 수 있다.
2.3 등가 스프링-질량 모델
강체탱크(rigid tank)에 대한 대표적인 해석해는 Housner(1957)과 Veletsos(1984)에 의해 제시되었다. Housner(1957)는 공학적 직관을 바탕으로 충격성분을 유도할 때는 저장된 액체를 얇은 수평층으로, 대류성분을 유도할 때는 얇은 수직층으로 분할하여 근사적인 해석해를
제시하였다. 이 방법은 원통형 및 사각형 탱크 모두에 적용 가능하며, 단순하면서도 실무 적용성이 높다는 장점이 있다. 한편 Veletsos(1984)는 압축성 유체를 가정한 2.2절의 지배방정식 Eqs. (2)-(5)를 원통형 탱크에 적용하여, 이에 대한 엄밀한 해석해를 제시하였다. Housner(1957)과 Veletsos(1984) 모두 충격성분(impulsive component)을 탱크 벽체와 일체로 거동하는 부가질량(added mass)으로, 대류성분(convective
component)을 자유표면의 슬로싱(sloshing) 운동으로 단순화하였다. Housner(1957)은 정해에 비해 약 1~6 %의 오차를 보이지만 형태가 단순하여 실무 모델로 널리 활용되며, Veletsos(1984)의 해석은 원통형 탱크에 한정되나 대류성분의 고차 모드까지 고려할 수 있다는 장점이 있다. Fig. 2는 두 모델에서 계산된 동수압을 벽체를 따라 적분하여 도출한 등가 스프링-질량 모델을 나타낸 것이다. 충격성분의 경우 두 모델은 질량의 크기와 작용
위치에 차이가 있으나 기본 개념은 동일하다. 반면 대류성분에 대해서는 Housner(1957)가 기본모드에 대한 근사해만을 제시한 반면, Veletsos(1984)는 고차모드까지 해석이 가능하다.
Fig. 2. Equivalent Spring-Mass Model - Rigid Tank. (a) Housner(1957), (b) Veletsos(1984)
유연탱크(flexible tank)에 대한 해석방법으로는 Veletsos-Yang 방법(Veletsos, 1984)과 Haroun and Housner(1981) 방법이 대표적이다. Veletsos-Yang 방법은 강체탱크 해석해에서 지반가속도를 탱크-유체 연성계의 고유주기에 대응하는 스펙트럼 가속도로 치환하는
방법이다. Fig. 3(a)에서 부가질량 m₀과 부가질량의 높이 h₀는 강체탱크 해석해에서 유도된 값을 사용하고, 그림에서 표시된 스프링 k₀는 탱크-유체 연성계의 고유주기에
대응하는 값이다. Haroun and Housner(1981)은 Fig. 3(b)에 나타낸 것처럼 유체의 관성력 기여를 벽체에 포함되는 부분(mf)과 유체 자체에 포함되는 부분(mr)으로 구분하였다. 이때 부가질량 비는 벽체 두께와
탱크 반경의 비(t/R), 액체 높이비(H/R)에 따라 변하며, 이를 유한요소해석(FEM)을 통해 정량적으로 제시하였다. 한편 대류성분(convective
component)은 탱크의 운동 주파수 대역과 명확히 분리된 저주파 영역에서 지배적으로 발생하므로, 유연탱크의 경우에도 강체탱크 해석에서의 대류성분을
동일하게 적용할 수 있다.
Fig. 3. Equivalent Spring-Mass Model - Flexible Tank. (a) Veletsos-Yang Method(Veletsos,
1984), (b) Haron and Housner(1981)
이러한 이론적 모델들은 각국의 내진 설계기준에 상이한 형태로 반영되어 왔다. ACI 350.3-20(2021)과 NICEE Guidelines(2007)은 Housner(1957)의 강체탱크 근사식을 기본 틀로 채택하고, Veletsos-Yang 방법을 적용하여 탱크-유체 연성계의 고유주기에 대응하는 스펙트럼 가속도를 이용하는
설계 절차를 제시한다. 반면 Eurocode 8-4(2006)은 강체 원통형 탱크의 경우 Veletsos(1984)의 엄밀해를, 유연 원통형 탱크의 경우 Haroun and Housner(1981)의 결과와 결합된 Veletsos-Yang 방법을 제시하고 있다. NZSEE(2009) 역시 강체 탱크에 대해서는 Veletsos(1984)의 해석식을, 유연 탱크에 대해서는 Haroun and Housner(1981)의 방법을 적용하나, 두 기준 모두 원통형 탱크를 중심으로 구성되어 있으며 사각형 탱크에 대해서는 원통형 공식을 준용하도록 규정하고 있다. 이러한
점은 실제 설계 시 형상 의존성이 충분히 반영되지 못하는 한계로 지적된다.
액체저장탱크의 동수압 계산에서는 바닥면에서의 압력 작용을 포함할지 여부가 설계 목적에 따라 달라진다. Fig. 4는 벽체 및 바닥면에 작용하는 충격성분과 대류성분의 동수압 분포를 나타낸 것이다. 일반적으로 벽체 설계를 위한 동수압 산정에서는 바닥면에 작용하는
압력을 제외하는 EBP(Excluding Bottom Pressure) 방식을 적용한다. 이는 벽체에 전달되는 전단력과 휨모멘트를 정확히 평가하기
위한 접근으로, 벽체를 주요 설계 대상 부재로 보는 경우에 적합하다. 반면 앵커 설계나 전도 안정성 평가에서는 바닥면에 작용하는 유체압을 포함하는
IBP(Including Bottom Pressure) 방식을 적용한다. IBP는 탱크 기초부에서의 유체 반력을 함께 고려함으로써, 탱크 전체의 전도모멘트와
기초 인발력을 산정할 때 사용된다. 국내외 기준에서도 EBP와 IBP의 구분은 공통적으로 명시되어 있으나, 적용 방식에는 차이가 존재한다. Eurocode 8(2006)은 두 경우를 명확히 구분하여 각각의 동수압 계산식을 별도로 제시하고 있으며, ACI 350.3-20(2021) 또한 동일한 개념 구분을 유지하고 있다.
Fig. 4. Hydrodynamic Pressure Distribution on Wall and Base under EBP (Excluding Bottom
Pressure) and IBP (Including Bottom Pressure) Conditions. (a) Impulsive Pressure on
Tank Wall (EBP Case), (b) Impulsive Pressure on Tank Wall and Base (IBP Case), (c)
Convective Pressure on Tank Wall (EBP Case), (d) Convective Pressure on Tank Wall
and Base (IBP Case)
3. 국내 내진설계기준 제안
3.1 내진 설계의 기본 원칙
현재 심의를 통과하여 공포를 앞두고 있는 「KDS 33 17 10 산업환경시설 내진설계기준」(2025)에서는, 재현주기가 긴 설계지진(이하 극한지진)에 대한 성능수준을 기존의 붕괴방지에서 운영지속성(operational continuity) 확보로
상향하여 규정하고 있다. 이는 단순히 인명안전이나 구조물의 붕괴방지를 목표로 하는 기존 내진설계 개념에서 나아가, 지진 발생 시에도 공정의 연속성을
유지하고 2차 피해를 방지하며, 고가의 설비 및 생산 중단으로 인한 경제적 손실을 최소화하기 위한 방향이다.
본 연구의 제안한 기준 역시 운영지속성(operational continuity) 확보를 성능수준으로 규정하고 있다. 극한지진에 대해서는 저장탱크,
연결부 및 기초의 구조적 안전성을 확보해야 하며, 전도, 활동, 침하 등 기초 안정성에 대한 검토도 수행하여야 한다. 또한 운영지속성(operational
continuity)을 확보하기 위해, 강재 저장탱크의 경우 극한지진 시에도 내용물의 누출이 발생하지 않도록 설계하는 것을 원칙으로 한다. 본 연구에서
제안한 기준에서는 누출 방지를 위해 탄성좌굴(elastic buckling) 또는 상족좌굴(elephant foot buckling, EFB)이 발생하지
않도록 검토하도록 명시적으로 제시하였으며, 강재 탱크에 대한 좌굴식을 제시하였다.
강재 원통형 저장탱크의 경우, 극한지진에 대하여 탄성좌굴 또는 상족좌굴(EFB)이 발생하지 않아야 하며, 이를 위해 Eq. (6) 또는 (7)에 제시된 좌굴응력식을 적용한다.
여기에서,
이고 $\sigma_{cl}$는 탄성좌굴응력이고, $\sigma_{EFB}$는 상족좌굴응력이다. 한편 한편 강재 직사각형 저장탱크의 경우, 극한지진
시 탄성좌굴이 발생하지 않도록 하며, 이를 위해 다음의 Eq. (9)을 적용한다.
여기에서,
이며, b는 판의 짧은 변 또는 긴 변(B 또는 L), $m=1,\: 2,\: \cdots$이다.
3.3 바닥앵커 설치 요건
제안 기준에서는 지진 시 저장탱크의 안정성을 확보하기 위해 바닥앵커 설치 요건을 제시하였다. 지진에 의한 전도모멘트가 자중 또는 기초의 저항모멘트를
초과하여 들림이 발생할 우려가 있는 경우, 또는 수평원통형 탱크에서 축직각방향의 수평력에 의해 동체에 휨이나 비틀림이 발생하는 경우, 저장탱크는 기초에
앵커로 정착하여야 한다.
3.4 등가 스프링-질량 모델
제안 기준에서는 국내 기준인 「KDS 33 17 10 산업환경시설 내진설계기준(2025)」, 「KGS GC203(2024)」, 「가스시설 및 가스배관의 내진설계·성능확인 세부기술기준(한국가스안전공사 2400-3)」에서 명시하지 않은 등가 스프링-질량(equivalent
spring-mass) 모델을 구체적으로 제시하고 있다. 이 모델은 Housner(1957)의 강체탱크 해석해를 기반으로 하며, Veletsos와 Yang(1984)이 제안한 방법을 적용한 ACI 350.3-20(2021)의 모델식을 따른다. 이 방법의 장점은 원통형(cylindrical) 및 직사각형(rectangular) 액체저장탱크 모두에 대한 충격성분(impulsive)과
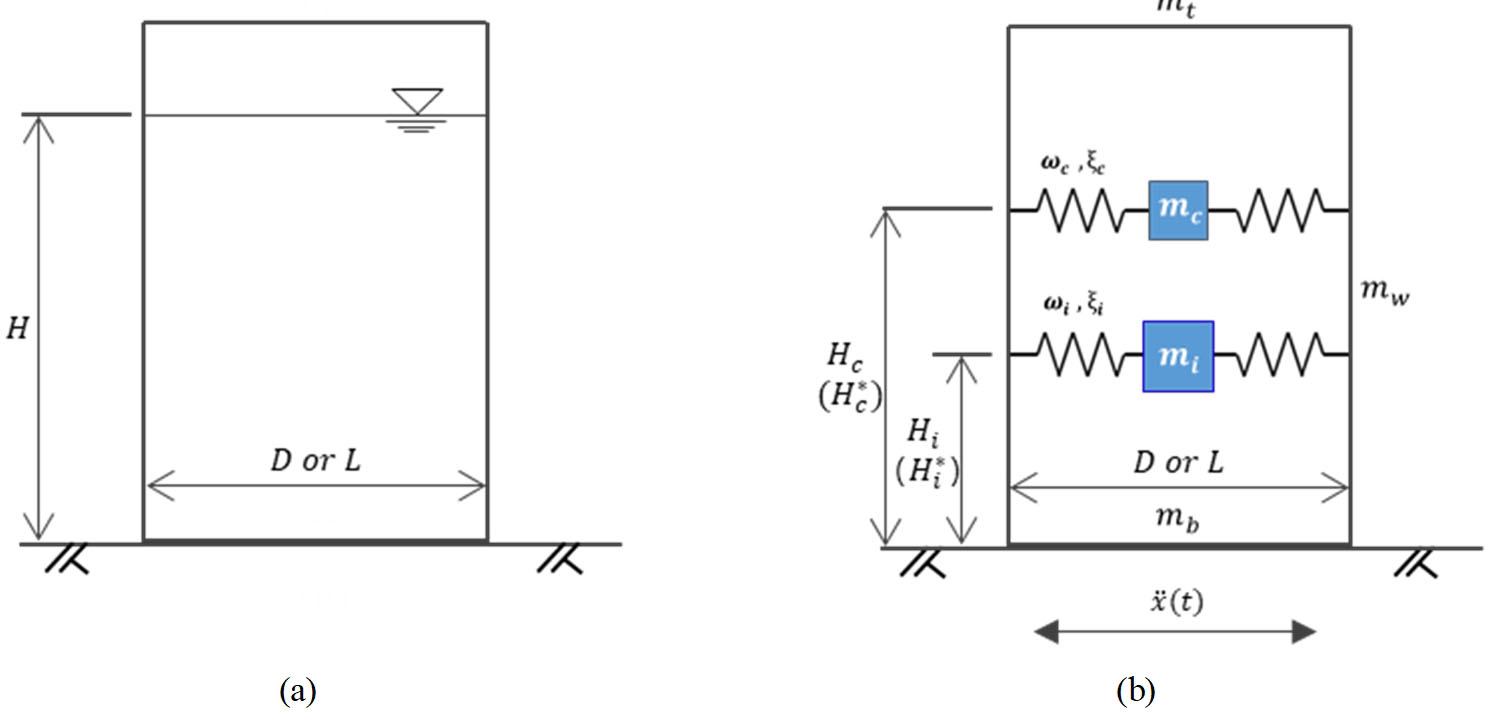
진동성분(convective)의 등가 질량 및 높이식을 일관된 형태로 제공한다는 점이다. Fig. 5-7은 탱크 형상, 지진하중 작용 방향 및 등가 모델에서 사용되는 주요 파라미터를 나타내며, Table 1은 원통형 및 직사각형 탱크에 대한 등가 스프링-질량 모델의 수식 및 계수값을 정리한 것이다.
Fig. 5. Dimesions of Liquid Storage Tank and Its Equivalent Spring-Mass Model. (a)
Liquid Storage Tank, (b) Equivalent Spring-Mass Model
Fig. 6. Shape of Cylindrical Tank and Direction of Seismic Force. (a) Plan View, (b)
Sectional View
Fig. 7. Shape of Rectangular Tank and Direction of Seismic Force. (a) Plan View, (b)
Sectional View
Table 1. Equivalent Spring-Mass Model
|
|
Cylindrical Liquid Storage Tank
|
Rectangular Liquid Storage Tank
|
|
Impulsive
|
$m_{i}=\dfrac{\tanh(\frac{\sqrt{3}}{2}\frac{D}{H})}{\frac{\sqrt{3}}{2}\frac{D}{H}}m$
|
$m_{i}=\dfrac{\tanh(\frac{\sqrt{3}}{2}\frac{L}{H})}{\frac{\sqrt{3}}{2}\frac{L}{H}}m$
|
|
$H_{i}=\dfrac{3}{8}H \quad (\text{EBP}, \frac{H}{D}\le 0.75)$
|
$H_{i}=\dfrac{3}{8}H \quad (\text{EBP}, \frac{H}{L}\le 0.75)$
|
|
$H_{i}=\left(0.5-\dfrac{0.09375}{H/D}\right)H \quad (\text{EBP}, \frac{H}{D}>0.75)$
|
$H_{i}=\left(0.5-\dfrac{0.09375}{H/L}\right)H \quad (\text{EBP}, \frac{H}{L}>0.75)$
|
|
$H_{i}^{*}=\left(\dfrac{\frac{\sqrt{3}}{2}\frac{D}{H}}{2\tanh(\frac{\sqrt{3}}{2}\frac{D}{H})}-0.125\right)H
\quad (\text{IBP}, \frac{D}{H}\ge 0.75)$
|
$H_{i}^{*}=\left(\dfrac{\frac{\sqrt{3}}{2}\frac{L}{H}}{2\tanh(\frac{\sqrt{3}}{2}\frac{L}{H})}-0.125\right)H
\quad (\text{IBP}, \frac{L}{H}\ge 0.75)$
|
|
$H_{i}^{*}=0.45H \quad (\text{IBP}, \frac{D}{H}<0.75)$
|
$H_{i}^{*}=0.45H \quad (\text{IBP}, \frac{L}{H}<0.75)$
|
|
Convective
|
$m_{c}=\dfrac{1}{8}\left(\dfrac{10}{12}\right)^{2}\sqrt{\dfrac{27}{8}}\dfrac{\tanh(2\sqrt{\frac{27}{8}}\frac{H}{D})}{\frac{H}{D}}m$
|
$m_{c}=\dfrac{1}{6}\sqrt{\dfrac{5}{2}}\dfrac{\tanh(2\sqrt{\frac{5}{2}}\frac{H}{L})}{\frac{H}{L}}m$
|
|
$H_{c}=\left(1-\dfrac{\cosh\left(\frac{2\sqrt{\frac{27}{8}}H}{D}\right)-1}{\frac{2\sqrt{\frac{27}{8}}H}{D}\sinh\left(\frac{2\sqrt{\frac{27}{8}}H}{D}\right)}\right)H
\quad (\text{EBP})$
|
$H_{c}=\left(1-\dfrac{\cosh\left(\frac{2\sqrt{\frac{5}{2}}H}{L}\right)-1}{\frac{2\sqrt{\frac{5}{2}}H}{L}\sinh\left(\frac{2\sqrt{\frac{5}{2}}H}{L}\right)}\right)H
\quad (\text{EBP})$
|
|
$H_{c}^{*}=\left(1-\dfrac{\cosh\left(\frac{2\sqrt{\frac{27}{8}}H}{D}\right)-2.01}{\frac{2\sqrt{\frac{27}{8}}H}{D}\sinh\left(\frac{2\sqrt{\frac{27}{8}}H}{D}\right)}\right)H
\quad (\text{IBP})$
|
$H_{c}^{*}=\left(1-\dfrac{\cosh\left(\frac{2\sqrt{\frac{5}{2}}H}{L}\right)-2}{\frac{2\sqrt{\frac{5}{2}}H}{L}\sinh\left(\frac{2\sqrt{\frac{5}{2}}H}{L}\right)}\right)H
\quad (\text{IBP})$
|
3.4 충격성분의 고유주기
충격성분의 고유주기는 유한요소 해석을 통해 주파수를 산정하거나, 검증된 단순화식을 이용하여 산정할 수 있다. 제안 기준에서는 탱크 상단에 지붕이 없는
경우에 한하여 충격성분의 고유주기를 계산하는 식을 제시하였다.
기초 슬래브에 단단히 고정된 강재 원통형 탱크의 경우, 충격성분의 고유주기 $T_{i}$는 다음과 같다.
여기서,
Eq. (11)은 Eurocode 8-4(2006)에서 제시된 식을 적절하게 변형한 식이며, Eq. (12)은 Eurocode 8-4(2006)에서 H/D 비에 따라 표로 제시된 $C_{i}$는 보간하여 만든 다항식이다.
콘크리트 원통형 탱크의 충격성분 고유주기는 ACI 350.3-20 (2021)에서 제시한 Eq. (13)를 적용한다.
여기서,
기초 슬래브에 단단히 고정된 사각형 탱크의 경우, 충격성분의 고유주기는 다음 Eq. (15)로 산정한다.
여기서 𝑔는 중력가속도이며, 𝑑는 등분포 압력 𝑞가 작용하는 탱크 벽체의 등가 처짐(equivalent deflection) 깊이로서 다음 식으로
정의된다.
여기서, $I_{w}$ 탱크 벽체의 단위폭당 단면이차모멘트($I_{w}= t_{w}^{3}/ 12$), $E_{w}$와 $t_{w}$는 벽체의 탄성계수와
두께, $\overline{H}$와 $q$는 각각 벽체의 질량을 고려한 환산 높이와 등분포 압력으로 Eqs. (17), (18)에서 구할 수 있다.
여기에서 $H_{w}$는 벽체의 높이이고, $\overline{m}_{w}$는 한쪽 벽체의 유효질량 ($\overline{m}_{w}=\varepsilon\rho_{w}t_{w}BH_{w}$)이다.
사각형 탱크의 고유주기식은 폭이 충분히 긴 탱크의 경우에 유효한 근사식이므로 B/H비가 2이상인 경우 유효하다.
3.5 대류성분의 고유주기
대류성분의 고유주기 역시 유한요소 해석을 통해 주파수를 산정하거나, 검증된 단순화식을 이용하여 산정할 수 있다. 유한요소 해석 시 적용해야 하는 경계조건인
Eq. (5)를 명시적으로 제시하였다. 또한 Housner(1957)을 근거로 다음과 같이 각진동수를 기본진동수를 제시하고 있다.
고유주기는 $T_{c}= 2\pi /\omega_{c}$로 계산할 수 있다.
3.5 지반-구조 상호작용
ACI 350.3-20(2021), KDS 33 17 10(2025), KGS GC203 (2024) 등에서는 지반-구조물 상호작용에 대한 명확한 기술이 없으나, Eurocode 8-4(2006), NZSEE(2009)에서는 이를 반영하기 위해 충격성분 고유주기를 수정하는 방식으로 이를 고려하고 있다. 제안 기준에서도 이를 채용하였다.
토사 지반에 탱크가 설치되는 경우 충격성분의 고유주기는 Eq. (19)을 수정하여 적용할 수 있다.
여기에서 $k_{f}$는 탱크와 액체가 연계된 시스템의 충격성분 강성이고, $k_{\theta}$와 $k_{x}$는 각각 기초의 회전강성과 수평강성으로
다음과 같다.
여기서, $\nu_{s}$는 지반의 푸아송 비, $G_{s}$는 지반의 전단탄성계수, $R_{b}$는 원통형의 경우 기초의 반경($D/2$)이고 사각형
탱크의 등가 원형 반경($\sqrt{BL /\pi}$)이다.
3.6 설계하중
탱크에 작용하는 지진하중은 충격성분과 대류성분으로 구분되며, 각각의 응답스펙트럼 가속도를 이용하여 밑면 전단력과 전도모멘트를 계산한다. 먼저, 탱크
바닥에 작용하는 밑면 전단력은 다음 식으로 산정한다.
여기서, $(S_{a})_{i}$와 $(S_{a})_{c}$는 각각 충격성분과 대류성분에 대한 설계수평가속도 응답스펙트럼 값이고, $\varepsilon$은
유효질량계수이다. ACI 350.3-20(2021)에서는 벽체의 유효참여질량(effective participating mass)을 고려하기 위해 유효질량계수(ε)를 사용하며, 제안 기준에서도 도입하였다.
원형 탱크에 대해서는 각각 Eq. (27)을 적용한다.
사각형 탱크의 경우에는 D 대신 L을 사용한다. 벽체가 유연하거나 기초가 비강체인 경우에는 ε=1.0을 적용한다.
또한, 탱크 벽체 하단의 휨모멘트는 다음 식으로 계산한다.
여기서 $H_{t}$는 지붕의 질량중심 높이이다. 전도모멘트는 충격성분과 대류성분에 대해 Eq. (30), Eq. (31)와 같다.
여기서, $m_{b}$ 는 바닥 슬래브/플레이트의 질량, $t_{b}$는 탱크 바닥판의 두께이고, $H_{i}^{*}$와 $H_{c}^{*}$는 각각
IBP 조건에서의 충격성분과 대류성분 질량 작용 높이이다. 총 밑면 전단력과 휨모멘트, 전도모멘트는 다음과 같이 합성하여 산정한다.
3.7 슬로싱 높이
원통형 탱크에 대한 최대 슬로싱 높이는 각각 Eq. (35)과 같다.
여기서, $\left(S_{a}\right)_{c}$는 대류모드 진동에 대한 설계수평 응답가속도이다. 사각형 탱크의 경우에는 D 대신 L을 사용한다.
3.8 수직지반가속도의 효과
원통형 탱크의 경우, 수직지반가속도에 의해 탱크 쉘에 축대칭 팽창-수축(breathing) 모드가 유발되며, 이에 따른 동수압 증분은 원통쉘 구조의
원주방향 응력 계산에 반영되어야 한다. ACI 350.3-20(2021)은 이러한 축대칭 팽창-수축 모드의 단주기 특성을 고려하여, 정수압 분포에 단주기 설계응답스펙트럼의 최대값을 적용하는 단순화 방법을 제시하고 있다.
반면 Eurocode 8 Part 4(2006)은 쉘의 변형성을 직접 고려하여 깊이에 따른 코사인형 압력분포를 가정한 보다 정밀한 해석식을 제시한다. 본 연구에서는 ACI 350.3-20(2021)의 접근법을 채택하였다.
4. 고유주기 비교 및 검증
제안된 기준의 유효성을 검토하기 위해 원통형 탱크 2종과 사각형 탱크 3종을 대상으로 고유주기 해석을 수행하고, 그 결과를 유한요소해와 비교하였다.
Fig. 8 및 Tables 2-3에는 사용된 해석 모델의 형상 치수와 재료 특성이 제시되어 있다. 원통형 탱크 모델은 Haroun and Housner(1981)의 연구를, 사각형 탱크 모델은 Lee and Cho(2024)의 연구를 각각 참고하여 구성하였다. Tables 2와 3의 최하단 행에 제시된 기본 진동수는 유체가 없는 상태, 즉 탱크 구조체만 존재할 때의 기본 고유진동수로 유한요소법으로 계산한 값이다.
Fig. 8. Dimesions of Liquid Storage Tank Examples. (a) Cylinderical Tank, (b) Rectangular
Tank
Table 2. Dimensions and Material Properties of Cylinderical Tank
|
|
Tall
|
Broad
|
|
Liquid Length Lx
|
7.32 m
|
18.3 m
|
|
Height H
|
21.96 m
|
12.2 m
|
|
Density $\rho$
|
1,000 kg/m3 |
|
Wall Height Hw
|
10 m
|
|
Young’s Modulus E
|
206.7 GPa
|
|
Thickness $t_{w}$
|
0.0254 m
|
|
Poisson Ratio $\nu$
|
0.3
|
|
Density $\rho_{w}$
|
7,840 kg/m3 |
|
Fundamental Natural Frequency
|
19.17 Hz
|
34.02 Hz
|
Table 3. Dimensions and Material Properties of Rectangular Tanks
|
|
Ly/Lx = 3
|
Ly/Lx = 2
|
Ly/Lx = 1
|
|
Liquid Length Lx
|
20 m
|
20 m
|
20 m
|
|
Length Ly
|
60 m
|
|
Depth H
|
10 m
|
|
Density $\rho$
|
1,000 kg/m3 |
|
Wall Height Hw
|
10 m
|
|
Young’s Modulus E
|
20.776 GPa
|
|
Thickness $t_{w}$
|
1 m
|
|
Poisson Ratio $\nu$
|
0.17
|
|
Density $\rho_{w}$
|
2,300 kg/m3 |
|
Fundamental Natural Frequency
|
5.315 Hz
|
5.862 Hz
|
8.080 Hz
|
Table 4와 Table 5는 각각 원통형 및 사각형 액체저장탱크의 해석 결과이며, Fig. 9와 Fig. 10은 이에 대응하는 모드 형상을 나타낸 것이다. 넓은 탱크(Broad)의 모드 형상은 Fig. 1에 이미 제시되어 있다. 본 연구의 제안 기준에 의해 계산된 고유주기는 Reference에서 제시된 FEM 해석 결과와 유사하게 나타났다. 원통형
탱크의 대류모드 주파수는 Veletsos(1984)가 제시한 다음의 식으로부터 계산된다.
여기에서 $\lambda_{j}$는 $d J_{1}/ dx = 0$=0의 해이며, 저차 3개 값은 $\lambda_{1}$=1.84118, $\lambda_{2}$=5.33144,
$\lambda_{3}$=8.53652이다. 한편, 사각형 탱크의 대류모드 고유주기는 Lamb(1945)가 제시한 다음 식으로부터 산정된다.
이고, $m,\: n=0,\: 1,\: 2,\: ...,\: $단, $(m,\: n)ne(0,\: 0)$이다.
Table 4. Fundamental Frequencies of Cylinderical Tanks
|
|
Tall
|
Broad
|
|
|
This
|
Reference
|
This
|
Reference
|
|
Convective
|
0.2497
|
0.2503 (FEM)0.2500 (Veletsos(1984)
|
0.1449
|
0.1452 (FEM)0.1451 (Veletsos(1984)
|
|
Impulsive
|
5.479
|
5.304 (FEM)
|
6.211
|
6.160 (FEM)
|
|
Breathing
|
-
|
6.341 (FEM)
|
-
|
5.200 (FEM)
|
Table 5. Fundamental Frequencies of Rectangular Tanks
|
|
Ly/Lx = 3
|
Ly/Lx = 2
|
Ly/Lx = 1
|
|
|
This
|
Reference
|
This
|
Reference
|
This
|
Reference
|
|
Convective
|
0.07954
|
0.07908 (FEM)0.07907 (Lamb(1945))
|
0.1138
|
0.1132 (FEM)0.1131 (Lamb(1945))
|
0.1900
|
0.1895 (FEM)0.1892 (Lamb(1945))
|
|
Impulsive
|
4.931
|
3.720 (FEM)
|
4.931
|
4.135 (FEM)
|
4.931
|
6.040 (FEM)
|
Table 4와 Table 5의 결과를 비교하면, 제안된 기준의 모델식은 대류모드 주파수를 매우 정확하게 예측함을 알 수 있다. 또한 설계에 더 큰 영향을 미치는 충격성분의 경우,
원통형 탱크는 비교적 정확한 값을 제시하는 반면 사각형 탱크는 오차가 나타남을 확인할 수 있다. 이는 사각형 탱크의 고유주기 계산식이 단위 폭인 캔틸레버를
대상으로 대해 유도되어 폭이 충분히 긴 탱크의 경우에 유효한 근사식이기 때문이다.
Fig. 9. Mode Shape of Tall Cylinderical Tank. (a) Tank (19.17 Hz), (b) Convective
(0.2503 Hz), (c) Impulsive (5.304 Hz), (d) Breathing (6.341 Hz)
Fig. 10. Mode Shape of Rectangular Tanks
5. 결 론
본 연구에서는 주요 국내외 액체저장탱크 내진설계기준을 비교·분석하고, 극한지진 하에서도 탱크의 운영지속성을 확보하기 위한 개선 방향을 제시하였다.
기존 국내 기준(KGS GC203, KDS 33 17 10 등)은 ACI 350.3-20(2021), Eurocode 8-4(2006), NZSEE(2009) 등 주요 해외 기준과 달리 등가 스프링-질량 모델을 명시적으로 포함하지 않아 실무 적용에 한계가 있었다. 이에 본 연구에서는 ACI 350.3-20(2021)의 체계를 기반으로 하여 원통형 및 사각형 탱크 모두에 적용 가능한 일관된 등가 스프링-질량 모델을 제안하였다.
제안된 모델을 이용한 고유주기 해석 결과, 원통형 탱크의 경우 Veletsos(1984)와 Haroun and Housner(1981)의 해석식, 사각형 탱크의 경우 Lamb(1945)의 해석식 및 유한요소해석 결과와 잘 일치하여 제안식의 타당성이 확인되었다. 특히 대류모드의 주파수는 제안식이 충분히 정확한 근사해를 제공하였으며,
충격성분의 경우 설계상 주요한 영향 요소로서 원통형 탱크에서 매우 높은 일치도를 보였다. 반면, 사각형 탱크의 경우 폭 대비 길이비(Ly/Lx)에
따라 고유주기가 다소 변동하는 경향을 보여, 향후 다양한 형상비를 고려한 추가 검증이 필요함을 확인하였다.
Acknowledgements
This research was supported by a Korea Agency for Infrastructure Technology Advancement
(KAIA) grant funded by the Ministry of Land, Infrastructure and Transport (Grant No.
RS-2021-KA163162).
References
(2021), Seismic Design of Liquid- Containing Concrete Structures and Commentary, ACI
350.3-20

(2010), Design Recommendation for Storage Tanks and Their Supports with Emphasis on
Seismic Design (2010 Edition)

Bae D., Park J. H., Oh C. K. (2016). "Comparison of design standards for seismic design
of steel liquid storage tanks", Journal of Korean Society of Steel Construction, Vol.
28, No. 3, pp. 195-202

(2006), Eurocode 8, Design of structures for earthquake resistance - Part 4: Silos,
tanks and pipelines

Haroun M. A., Housner G. W. (1981). "Seismic design of liquid storage tanks", Journal
of the Technical Councils of ASCE, Vol. 107, No. 1, pp. 191-207

Housner G. W. (1957). "Dynamic pressures on accelerated fluid containers", Bulletin
of the Seismological Society of America, Vol. 47, No. 1, pp. 15-35

(2007), Guidelines for Seismic Design of Buried Pipelines

Kim M. W., Yu E. J., Park J. H. (2023). "Seismic design force for rectangular water
tank with flexible walls", Journal of Earthquake Engineering Society of Korea (EESK),
Vol. 27, No. 6, pp. 303-310

Lamb H. (1945), Hydrodynamics (6th ed.)

Lee J. H., Cho J. R. (2024). "Simplified earthquake response analysis of rectangular
liquid storage tanks considering fluid-structure interactions", Engineering Structures,
Vol. 300, pp. 117157

(2025), KDS 33 17 10: Seismic Design Standard for Industrial and Environmental Facilities

(2024), KGS GC203: Code for Seismic Design of Gas Facilities and Aboveground Pipes

(2009), Seismic Design of Storage Tanks

Oh C. K., Lee S. R., Park J. H., Bae D. (2016). "Comparison of allowable axial stress
provisions of cylindrical liquid storage tanks under seismic excitation", Journal
of Korean Society of Steel Construction, Vol. 28, No. 4, pp. 293-301

Takeda K., Yamazaki F., Murao O. (2022). "The damage and reconstruction of the Kumamoto
earthquake", Natural Hazards Review, Vol. 11, No. 20, pp. 1-35

Vakilazadsarabi V. (2014), loshing phenomena in water reservoir tanks due to long
period ground motions (Vakilazadsarabi, A.)

Veletsos A. S. (1984), Guidelines for the Seismic Design of Oil and Gas Pipeline Systems,
pp. 255-370

Zama S., Nishi H., Hatayama K., Yamada M., Yoshihara H., Ogawa Y. (2012). "On Damage
of Oil Storage Tanks due to the 2011 off the Pacific Coast of Tohoku Earthquake (Mw9.0),
Japan", pp. 1213-1223
